






OCCO TRACK "V" WHEELS
Card No. 2990.10
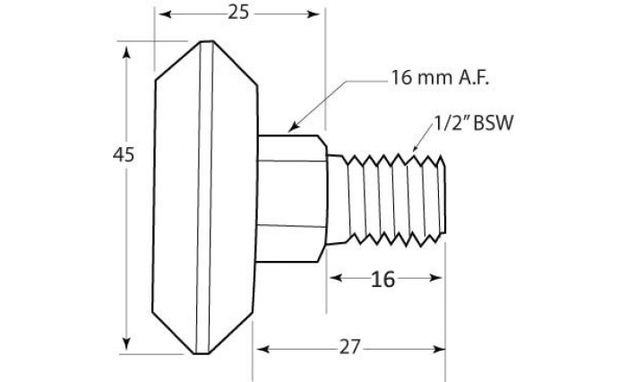
40mm OCCO TRACK "V" WHEELS - nuts not included - available separately use Card No 1408.04
The Inner "V" Wheel sits inside the track, effortlessly creating smooth and reliable drawer slides. This feature ensures that accessing your equipment is not only convenient but also hassle-free.